Telefon
WhatsApp
İnstagram

L7NHB010U 1.0 kW 3.7A 3P 380V

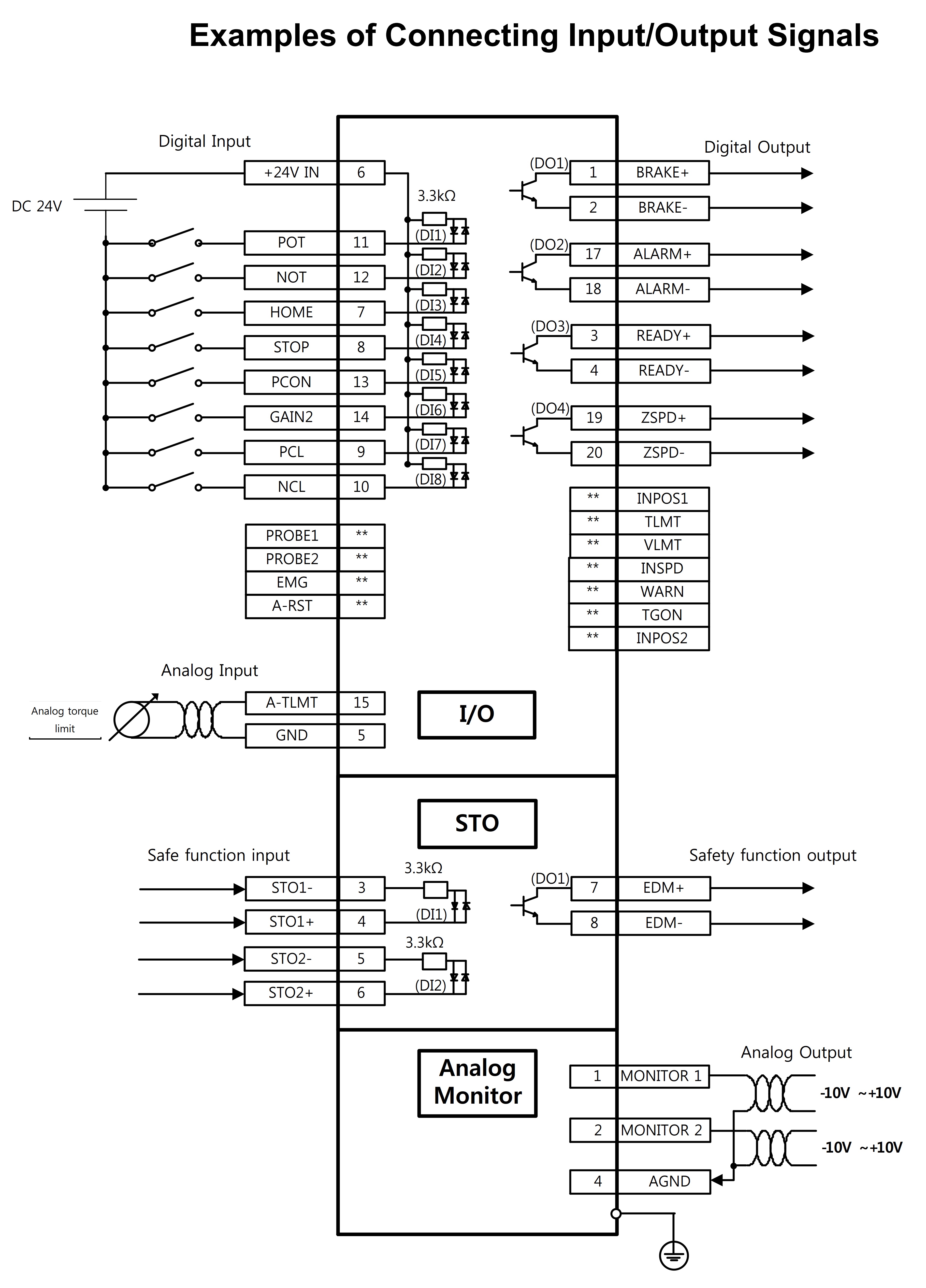
Genel Özellikler;• Giriş gerilimi: Tek faz AC 220V/ Üç faz AC 380 V• Güç: 0,1 kW ~ 15 kW• Çalışma: Farklı çalışma modlarını destekler (CSP, CSV, CST, PP, PV, PT, HM, IP)• Giriş /Çıkış: Programlanabilir 8 adet Dijital Giriş, Programlanabilir 4 adet Dijital Çıkış• Güvenlik Fonksiyonu: 2 Kanal Giriş (STO1, STO2), 1 Adet Çıkış (EDM)• Kontrol: EtherCat ile gerçek zamanlı kontrol• Enkoder: Quadrature, BiSS-B, BiSS-C, Tamagawa serial, EnDat, Sinusoidal, Analog Hall• Bağlantı: USB, RJ45x2
  • Ürün Kodu : L7NHB010U
  • Etiketler : L7NHB010U 1.0 kW 3.7A 3P 380V
  • Açıklama
  • İndirilebir Dosyalar
  • Sipariş Formu

Genel Özellikler;

• Giriş gerilimi: Tek faz AC 220V/ Üç faz AC 380 V
• Güç: 0,1 kW ~ 15 kW
• Çalışma: Farklı çalışma modlarını destekler (CSP, CSV, CST, PP, PV, PT, HM, IP)
• Giriş /Çıkış: Programlanabilir 8 adet Dijital Giriş, Programlanabilir 4 adet Dijital Çıkış
• Güvenlik Fonksiyonu: 2 Kanal Giriş (STO1, STO2), 1 Adet Çıkış (EDM)
• Kontrol: EtherCat ile gerçek zamanlı kontrol
• Enkoder: Quadrature, BiSS-B, BiSS-C, Tamagawa serial, EnDat, Sinusoidal, Analog Hall
• Bağlantı: USB, RJ45x2

İndirilebir Dosyalar

Teknik Döküman
E-Katalog

Sipariş Formu

Sipariş Sözleşmesi

Sipariş Sözleşmesi

1) Banka Havalesi veya EFT (Elektronik Fon Transferi) yaparak
Akbank, Finasbank, Garanti Bankası, T.İş Bankası ve Yapı Kredi bankası hesaplarımızdan (TL) herhangi birine yapabilirsiniz


2) Sitemiz üzerinden kredi kartlarınız ile
Her türlü kredi kartınıza online tek ödeme ya da Akbankdan  online taksit imkânlarımızdan yararlanabilirsiniz. Online ödemelerinizde siparişiniz sonunda kredi kartınızdan tutar çekim işlemi gerçekleşecektir. Muhtemel sipariş iptali veya stok sorunları nedeniyle sipariş iptallerinde kredi kartınıza para iadesi 3 iş günü içerisinde yapılacaktır.


3) Sipariş Bedeli İadesi 
Siparişlerinizin olası sebeplerle iptali durumunda; XXXXXX Limited Şirketi üç iş günü içerisinde ürün bedelini hesabınıza ve/veya kredi kartınıza iade eder. Ancak, banka hesap bilgilerinizi ve/veya kredi kartı bilgilerinizi doğru ve eksiksiz olarak şirketimiz finans yetkililerine bildirmeniz gerekmektedir. 


4) Teslimat 
Sipariş etmiş olduğunuz ürünleri aynı gün kargoya teslim etmeye gayret ediyoruz. Temini zaman alan ürünler için kargo teslim süresi ürün detayında belirtildiği gibi 3 iş günüdür. Gecikmesi muhtemel teslimat durumunda size bilgi verilecektir. 
Ürün teslimatının aksamadan gerçekleştirilebilmesi için lütfen gün içinde bulunduğunuz yerin adresini teslimat adresi olarak bildiriniz. 
Talepleriniz sipariş sonunda belirlemiş olduğunuz teslimat tipine göre hazırlanmak üzere işleme alınacaktır. İstanbul merkezli şirketimizden ürünler XXXXXXXX kargo firmasıyla gönderilecektir. Siparişleriniz onaylandıktan sonra en geç 2 (iki) iş günü sonunda Kargo firmasına teslim edilir. 
Müşteri temsilcimize danışarak değişik teslimat şartları konusunda görüşebilirsiniz. Ayrıca kargo teslimatları sadece Türkiye için geçerlidir


5) Ödeme Takibi 
Söz konusu sistem herhangi bir sorun nedeni ile işlemi gerçekleştiremiyorsa ödeme sayfası sonucunda ziyaretçimiz bu durumdan haberdar edilmektedir. 
Belirtilen adreste herhangi bir hata durumunda teslimatı gerçekleşemeyen sipariş ile ilgili olarak siparişi veren ile bağlantı kurulmaktadır.
Ziyaretçimiz tarafından belirtilen e-posta adresinin geçerliliği siparişin aktarılmasını takiben gönderilen otomatik e-posta ile teyit edilmektedir. 
Teslimatın gerçekleşmesi konusunda müşteri kadar kredi kartı sistemini kullandığımız bankaya karşı da sorumluluğumuz söz konusudur. 
 
 Lütfen dikkat ediniz!
Sevkiyat sırasında zarar gördüğünü düşündüğünüz paketleri, teslim aldığınız firma yetkilisi önünde açıp kontrol ediniz. Eğer üründe herhangi bir zarar olduğunu düşünüyorsanız kargo firmasına tutanak tutturularak ürünü teslim almayınız. 
Ürün teslim alındıktan sonra kargo firmasının görevini tam olarak yerine getirdiği kabul edilmektedir. 
Ürün hasarlı ise: Hazırlamış olduğunuz tutanağı en kısa zamanda 0212 XXXXXXX numaralı fax’a gönderin ve durumu XXXXXXXX@XXXX.com mail adresine bildiriniz. 
Bu işlemleri gerçekleştirdiğiniz takdirde paketinizle ilgili çalışmalara başlayarak, en kısa zamanda teslimatın tekrarlanmasını sağlayacağız.
Bu e-posta içinde ürünü neden iade etmek istediğinizi kısaca açıklarsanız ürün ile ilgili çalışmalarımızda bize yardımcı olmuş olursunuz.

REALTECH OTOMASYON VE MÜHENDİSLİK SAN. TİC. LTD. ŞTİ.

E-bülten Aboneliği

Haber, Duyuru, ve her türlü gelişmeden haberdar olmak için e-bülten aboneliğini yaptırınız