Genel Özellikler;
• Giriş gerilimi: Tek faz AC 220V/ Üç faz AC 380 V
• Güç: 0,1 kW ~ 15 kW
• Çalışma: Farklı çalışma modlarını destekler (CSP, CSV, CST, PP, PV, PT, HM, IP)
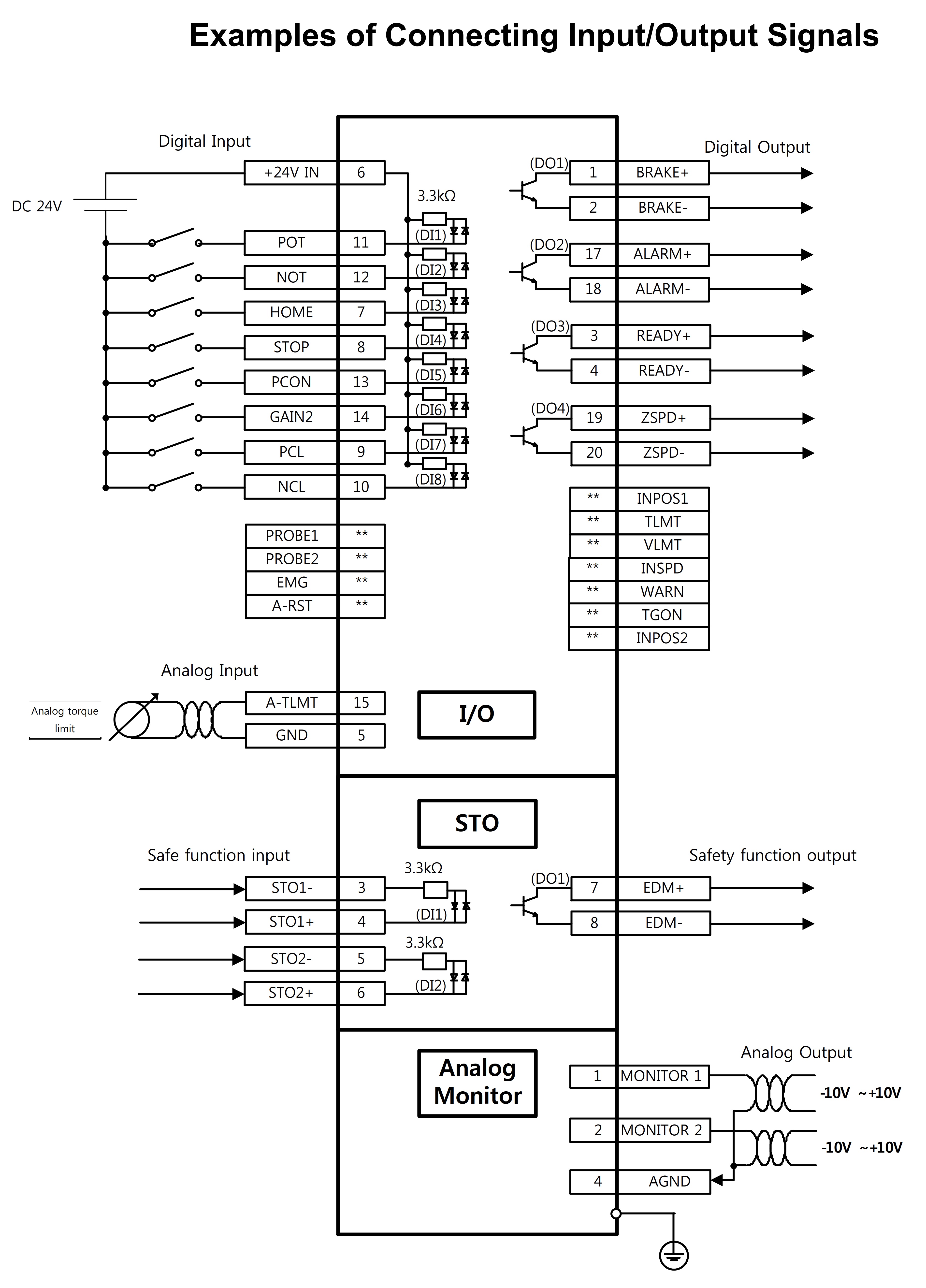
• Giriş /Çıkış: Programlanabilir 8 adet Dijital Giriş, Programlanabilir 4 adet Dijital Çıkış
• Güvenlik Fonksiyonu: 2 Kanal Giriş (STO1, STO2), 1 Adet Çıkış (EDM)
• Kontrol: EtherCat ile gerçek zamanlı kontrol
• Enkoder: Quadrature, BiSS-B, BiSS-C, Tamagawa serial, EnDat, Sinusoidal, Analog Hall
• Bağlantı: USB, RJ45x2



